Різьбонакочувальна головка М6-М12 А12 E&J з автоматичним розкривним механізмом

Новинка
  • Виробник: E&J
  • Модель: А12
  • Артикул: А12
  • Наявність: Передзамовлення
0.00грн.
Загальна сума, без ПДВ
Основні характеристики
Всі характеристики
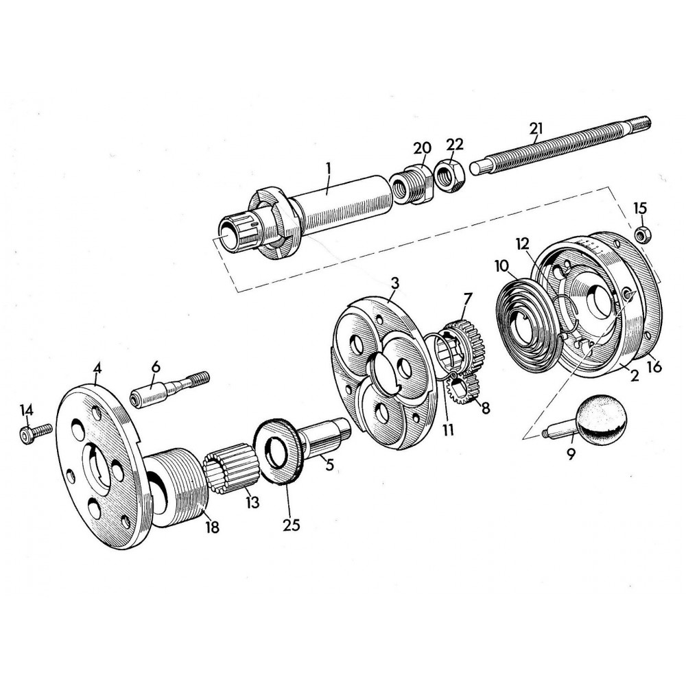
Зовнішній діаметр головки D1, мм: 64
Внутрішній отвір головки D2, мм: 20
Діаметр хвостовика D3, мм: 20
Діаметр отвору у хвостовику (для довгих різьб) D4, мм: 11
Максимальний зовнішній діаметр головки з роликами D5, мм: 70
  • Огляд товару
  • Характеристики

Різьбонакатна головка М6-М12 моделі А12 E&J (Англія) призначена для формування зовнішньої метричної різьби методом холодної пластичної деформації без зняття стружки.

Оснащена автоматичним розкривним механізмом, що забезпечує швидкий вихід з різьби та підвищує продуктивність у серійному виробництві.

Підходить для ручних токарних верстатів, револьверних автоматів і верстатів з ЧПУ.

Метод накатування зміцнює поверхню різьби, підвищує її міцність, забезпечує високу точність профілю та чистоту поверхні.

Оптимальне рішення для машинобудування, виробництва кріплення та металообробних підприємств в Україні.



Теги: метрична різьба, зовнішня різьба, для ЧПУ, для токарного верстата, автоматичне розкриття, , холодне накатування, промисловий інструмент, E&J Tooling, металообробка Україна

Характеристики
Різьбонакочувальні головки
Зовнішній діаметр головки D1, мм 64
Внутрішній отвір головки D2, мм 20
Діаметр хвостовика D3, мм 20
Діаметр отвору у хвостовику (для довгих різьб) D4, мм 11
Максимальний зовнішній діаметр головки з роликами D5, мм 70
Довжина хвостовика L1, мм 60
Довжина головки L2, мм 50
Відстань від витягування до відкритої головки Р, мм 2
Виконання різьбонакочувальної головки Ролики для більшого діаметру короткої різьби - *
Основний тип метричної різьби М 6x0.5/7x0.5/8x0.5/6x0.75/7x0.75/8x0.75/9x0.75/10x0.75/11*x0.75/12*x0.75/8x1/9x1/10x1/11*x1/12*x1/10x1.25/10x1.25/11*x1.25/12*x1.25/12*x1.5
Варіанти роликів (Різьба х Крок) M6 - M7 x 0.5/M7 - M8 x 0.5/M6 - M7 x 0.75/M8 - M9 x 0.75/M9 - M10 x 0.75/M10 - M11* x 0.75/M11* - M12* x 0.75/M8 - M9 x 1/M9 - M10 x 1/M10 - M11* x 1/M11* - M12* x 1/M10 - M11* x 1.25/M11* - M12* x 1.25/M12* x 1.5